Scroll compressors modeling: accelerate the design process to increase HVAC systems performance
Break into the world of industrial compressors and understand how Simcenter Amesim can help to easily minimize the time required for the creation of a scroll compressor model and define its performance through a large range of configurations by offering a dedicated comprehensive demonstrator model.
Introduction
Scroll compressors have become predominant in the HVAC systems across industries and especially in the Building HVAC sector for VRF/VRV (Variable Refrigerant Flow / Variable Refrigerant Volume) system for instance. In this industry they are well known for their reliability, energy efficiency, and smooth operation. These positive displacement compressors use the continuous and circular motion of two scrolls to trap and compress refrigerant gas, offering better performance compared to other compressor types in similar conditions.
Simcenter Amesim allows engineers to accelerate the development of scroll compressor models within a wide range of HVAC applications. By taking advantage of the advanced capabilities and extensive Two-Phase flow library of components of Simcenter Amesim, you can seamlessly navigate the complexities of scroll compressor design, optimizing performance, efficiency, and reliability from the earliest stages of the development process.

What does a scroll compressor look like in Simcenter Amesim?
Elevate Your HVAC Solutions with Simcenter Amesim
Simcenter Amesim provides a comprehensive suite of tools that enable you to:
- Accurately model the intricate mechanics of scroll compressors, including the orbital motion of the moving scroll and the compression process
- Analyze the impact of design parameters on compressor performance, allowing you to make informed decisions and drive continuous improvement
- Evaluate the thermal management of scroll compressors, ensuring optimal heat transfer and energy efficiency
- Assess the impact of varying loads and operating conditions on compressor behavior, ensuring reliable performance across diverse HVAC applications such as residential heat pump system for instance
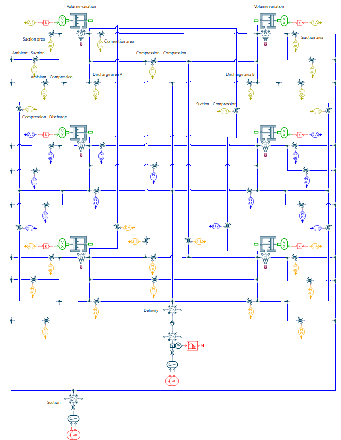
Visualization of the detailed model

Model inputs to unlock higher accuracy
This pump model is table based, which means that the user needs to get the tables of the following pump’s properties to create the model:
- Chamber volume variations
- Suction cross section area variations
- Delivery cross section area variations
- Interconnection between chambers area variations
- Radial and tangential leakages area variations
These data can be obtained through multiple sources depending on the accuracy required for the model. As an example, we could think of using CAD as a starting point but also analytical equations when dealing with a simple scroll compressor geometry (using symmetrical scrolls set).
How to build the actual scroll compressor model in a few steps?
What we are building here is a generic volumetric compressor model. These models are based on a lumped parameter approach which means that any technology of compressor can be represented thanks to the following basic elements:

Building the model using Simcenter Amesim Two-Phase Flow components
To model these different elements, we will the standard TPF components as follows:
- Variable internal volume

- Variable flow areas connecting internal volumes to the suction and delivery


- Fixed and/or variable leakage paths towards the environment and internal volumes

To step up in terms of accuracy of the model we can choose to model, the leakages as variable by using the same components we utilized for the suction and delivery areas. By doing this we can account for both the clearance and the gap length variation between the internal chambers but also between the chambers and the inlet/outlet volumes.


Above are presented the curves defining the openings of the leakage paths depending on the angular position of the shaft.
What outcomes can we expect from this Simcenter Amesim model?
Just before we look at the results, it is important to check that our model has the proper behavior. In the case of a scroll compressor one Simcenter Amesim feature that is quite useful is Animation. This outstanding feature allows you to animate the CAD file that you used as input. Then, you can synchronize your CAD animation with the volume variation plots for instance:

Overall scroll compressor delivery pressure and flowrate
Now that the model is constructed, it can be used to define the performance of this system. For a hydro-pneumatic system like a scroll compressor, the basic characteristics that the user might want to define are the outlet pressure and flow rate at a fixed compressor rotational speed with a constant and/or a variable delivery pressure target.
These results can give a first status of the pump capabilities, but it is also a way to check if the compressor has been well designed:

Focus inside the compressor’s internal chambers
If we take a closer look at what is going on in the internal chambers of the scroll compressor, we can notice that the internal pressure has a greater range than the outlet pressure:

In the same location we can also make a focus on the P/V diagram and the temperature within the scroll’s chambers:

On the 3D view of the scroll compressor, we can notice that the delivery is not evenly centered, and this offset can be shown when we compare the internal pressures of the fixed scroll chamber to the orbiting one as presented hereafter:

Simcenter Amesim a great tool for scroll compressor modelling? – The main key takeaways.
- Generic lumped model that uses data tables as input – these data can be retrieved using a CAD of the scroll compressor as well as analytical equations
- The components used to build the compressor depend on the level of accuracy expected from the model – for example the radial and tangential leakages can be represented either by fixed or variable area orifices function of the scroll’s rotation.
- The Simcenter Amesim animation feature and as the synchronization with the plot is very practical when it comes to checking the compressor’s behavior before moving into a deeper results analysis.
- A benefit of building a detailed model for the scroll compressor lies partly in the fact that we can easily access the output variables for each internal chamber of the compressor. This is particularly advantageous when we are aiming to optimize the design of the scroll compressor.
Leverage Simcenter Amesim multiphysics for an extended Scroll compressor model – next steps.
While this first level of scroll compressor model already offers a large amount of insights on the compressor behavior and performances under certain conditions, Simcenter Amesim can provide more technical outcomes. Indeed, by connecting this Two-Phase system to a Thermal system we could address all the thermal exchanges that occur within and around the compressor. But, we could also take advantage of the Mechanical library to assess the torque and power consumed by the scroll compressor. By doing so, we can get a more comprehensive understanding of the scroll compressor and use the outputs as a base for further design improvements.


